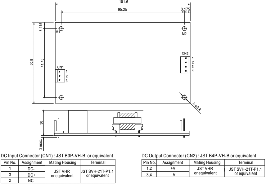
Konverter: DC/DC, Uieja=36...72V, Uizeja=12VDC; I=2.5A, 30W, 150g
Konverter: DC/DC, Uieja=36...72V, Uizeja=12VDC; I=2.5A, 30W, 150g
Konverter: DC/DC, Uieja=36...72V, Uizeja=12VDC; I=2.5A, 30W, 150g Konverter: DC/DC, Uieja=36...72V, Uizeja=12VDC; I=2.5A, 30W, 150g

* Produktu fotogrāfijas ir tikai noskatīšanai un var dažreiz atšķirties no priekšmeta reāla izskata. Bet galvenās īpašības ir vienādas.

Konverter: DC/DC, Uieja=36...72V, Uizeja=12VDC; I=2.5A, 30W, 150g

Cena: 24.32 €
00005924
PSD-30C-12
2
  • Apraksts

    • Specification
    • Lamp type LED lamp
    • Colour white
    • Cap type GU10
    • Rated voltage 230V
    • Luminous flux 50lm
    • Power 1W
    • Length 56.5mm
    • Diameter 50mm

    Parametri

    Papildu dokumentācija

Saistītie produkti