


* Produktu fotogrāfijas ir tikai noskatīšanai un var dažreiz atšķirties no priekšmeta reāla izskata. Bet galvenās īpašības ir vienādas.
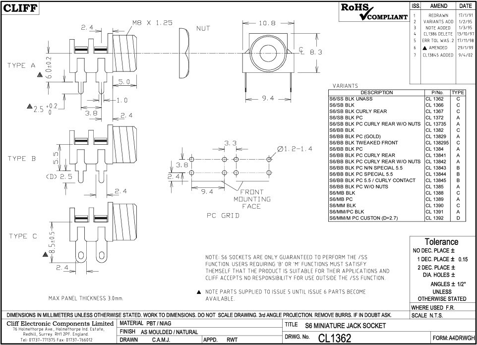
Plastmasa
3.5mm
2
Ligzda
mono
THT
SIA "Salvats", Gogola 14,
Riga, LV-1050