Fotodiode infrasrkanas gaismas spektra, vert. ar lēcu, 950nm, 120grad.
Fotodiode infrasrkanas gaismas spektra, vert. ar lēcu, 950nm, 120grad.
Fotodiode infrasrkanas gaismas spektra, vert. ar lēcu, 950nm, 120grad. Fotodiode infrasrkanas gaismas spektra, vert. ar lēcu, 950nm, 120grad.

* Produktu fotogrāfijas ir tikai noskatīšanai un var dažreiz atšķirties no priekšmeta reāla izskata. Bet galvenās īpašības ir vienādas.

Fotodiode infrasrkanas gaismas spektra, vert. ar lēcu, 950nm, 120grad.

Cena: 1.01 €
00013682
BPV22NF
9
  • Apraksts

    • Manufacturer VISHAY
    • Type of photoelement PIN IR photodiode
    • Mounting THT
    • Wavelength of peak sensitivity 940nm
    • Viewing angle 120°
    • Active area 7.5mm2
    • Reverse light current at 1klx 85µA
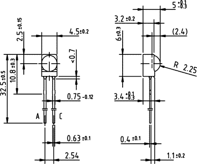
    • Dimensions see
    • Additional information
    • Gross weight: 0.205 g
    • Manufacturer part number: BPV22NF

    Parametri

    Papildu dokumentācija

Saistītie produkti