

* Produktu fotogrāfijas ir tikai noskatīšanai un var dažreiz atšķirties no priekšmeta reāla izskata. Bet galvenās īpašības ir vienādas.
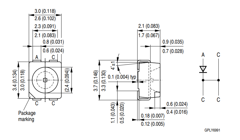
PLCC4
SMD
dzeltena
560...1400mcd
1.9...2.5V
50mA
SIA "Salvats", Gogola 14,
Riga, LV-1050