

* Produktu fotogrāfijas ir tikai noskatīšanai un var dažreiz atšķirties no priekšmeta reāla izskata. Bet galvenās īpašības ir vienādas.
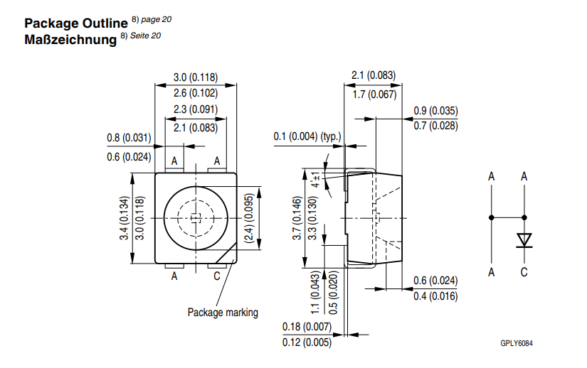
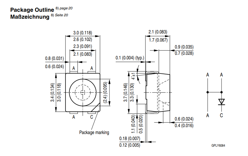
PLCC4
SMD
Sarkana
900...2240mcd
1.9...2.5V
50mA
SIA "Salvats", Gogola 14,
Riga, LV-1050