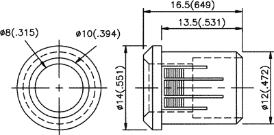
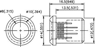
RTF-8080 8mm plastmasas turetājs gaismas diodei
RTF-8080 8mm plastmasas turetājs gaismas diodei
RTF-8080 8mm plastmasas turetājs gaismas diodei RTF-8080 8mm plastmasas turetājs gaismas diodei

* Produktu fotogrāfijas ir tikai noskatīšanai un var dažreiz atšķirties no priekšmeta reāla izskata. Bet galvenās īpašības ir vienādas.

RTF-8080 8mm plastmasas turetājs gaismas diodei

Cena: 0.28 €
00006887
RTF-8080
27
  • Apraksts

    • Manufacturer KINGBRIGHT ELECTRONIC
    • Type of LED accessories LED holder
    • LED diameter 8mm
    • Material plastic
    • Kind of LED holder convex
    • Panel cutout diameter 12mm
    • Dimensions see
    • Additional information
    • Gross weight: 0.85 g
    • Manufacturer part number: RTF-8080

    Parametri

    Papildu dokumentācija

Saistītie produkti