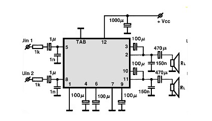
LA4550 Mikroshēma, DIP12F
LA4550 Mikroshēma, DIP12F
LA4550 Mikroshēma, DIP12F LA4550 Mikroshēma, DIP12F

* Produktu fotogrāfijas ir tikai noskatīšanai un var dažreiz atšķirties no priekšmeta reāla izskata. Bet galvenās īpašības ir vienādas.

LA4550 Mikroshēma, DIP12F

Cena: 1.61 €
00001119
LA4550
2
  • Apraksts

    Parametri

    Papildu dokumentācija

Saistītie produkti