


* Produktu fotogrāfijas ir tikai noskatīšanai un var dažreiz atšķirties no priekšmeta reāla izskata. Bet galvenās īpašības ir vienādas.
OMRON
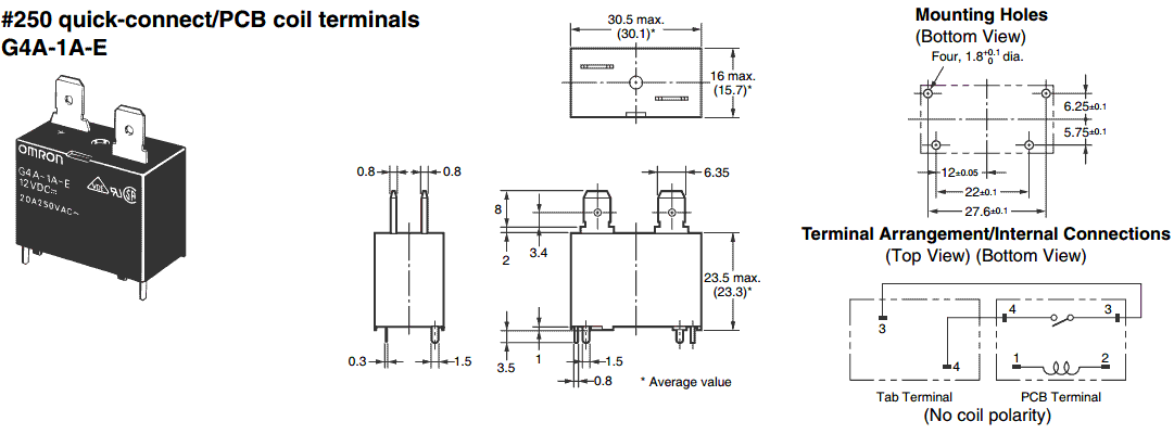
12VDC
SPST-NO
20A/250VAC
15A/30VDC
uz saslēgšanu
1
monostabilais
1
SIA "Salvats", Gogola 14,
Riga, LV-1050