


* Produktu fotogrāfijas ir tikai noskatīšanai un var dažreiz atšķirties no priekšmeta reāla izskata. Bet galvenās īpašības ir vienādas.
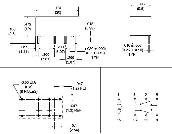
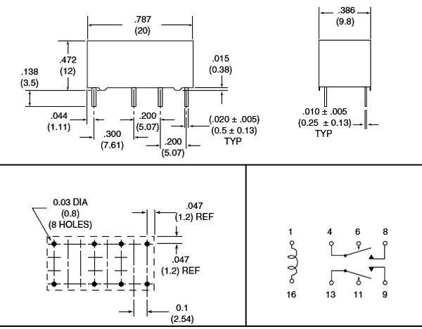
ZETTLER
DC9V
DPDT
2x0.5A/120VAC
1A/24VDC
uz pārslēgšanu
monostabilais
2
SIA "Salvats", Gogola 14,
Riga, LV-1050