

* Produktu fotogrāfijas ir tikai noskatīšanai un var dažreiz atšķirties no priekšmeta reāla izskata. Bet galvenās īpašības ir vienādas.
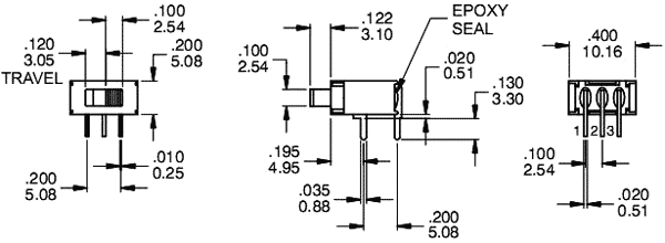
SPDT
3A/120VAC
3A/28VDC
1
ON-ON
2
SIA "Salvats", Gogola 14,
Riga, LV-1050