KTY81-121 Temperaturas sensors, -55...150°C, 10mA, 0.98кOhm, SOD70
KTY81-121 Temperaturas sensors, -55...150°C, 10mA, 0.98кOhm, SOD70
KTY81-121 Temperaturas sensors, -55...150°C, 10mA, 0.98кOhm, SOD70 KTY81-121 Temperaturas sensors, -55...150°C, 10mA, 0.98кOhm, SOD70

* Produktu fotogrāfijas ir tikai noskatīšanai un var dažreiz atšķirties no priekšmeta reāla izskata. Bet galvenās īpašības ir vienādas.

KTY81-121 Temperaturas sensors, -55...150°C, 10mA, 0.98кOhm, SOD70

Cena: 2.03 €
00008943
KTY81-121
16
  • Apraksts

    • Manufacturer NXP
    • Type of integrated circuit temperature sensor
    • Temperature measuring range -55...150°C
    • Max. operating current 10mA
    • Case SOD70
    • Mounting THT
    • Resistance  980Ω
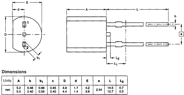
    • Dimensions see
    • Additional information
    • Gross weight: 0.2 g
    • Manufacturer part number: KTY81/121.112

    Parametri

    Papildu dokumentācija

Saistītie produkti