

* Produktu fotogrāfijas ir tikai noskatīšanai un var dažreiz atšķirties no priekšmeta reāla izskata. Bet galvenās īpašības ir vienādas.
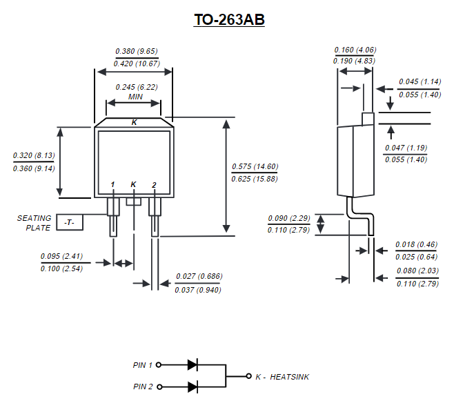
TO-263
SMD
45V
2x10A
2 Diodes
SIA "Salvats", Gogola 14,
Riga, LV-1050