


* Produktu fotogrāfijas ir tikai noskatīšanai un var dažreiz atšķirties no priekšmeta reāla izskata. Bet galvenās īpašības ir vienādas.
Sarkana krasa
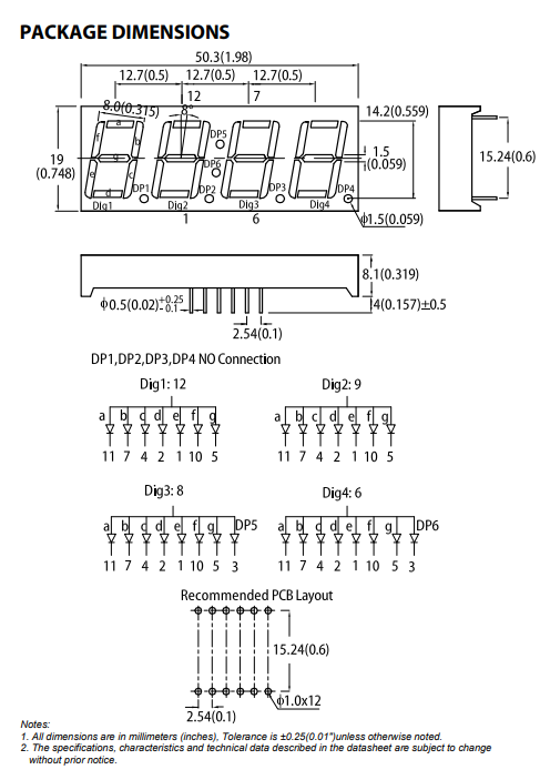
14.2mm
Kopējs anods
4
7LED indikators
SIA "Salvats", Gogola 14,
Riga, LV-1050