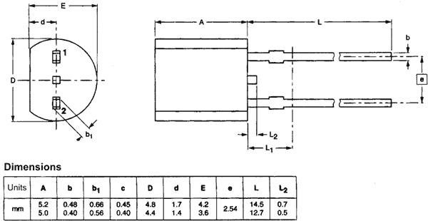
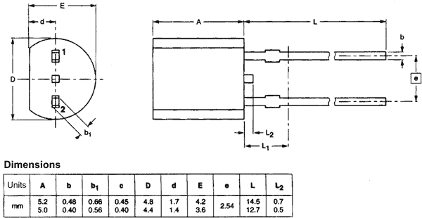
KTY81-210 Temperaturas sensors, 0...150°C, 10mA, 1.98кOhm, SOD70
KTY81-210 Temperaturas sensors, 0...150°C, 10mA, 1.98кOhm, SOD70
KTY81-210 Temperaturas sensors, 0...150°C, 10mA, 1.98кOhm, SOD70 KTY81-210 Temperaturas sensors, 0...150°C, 10mA, 1.98кOhm, SOD70

* Produktu fotogrāfijas ir tikai noskatīšanai un var dažreiz atšķirties no priekšmeta reāla izskata. Bet galvenās īpašības ir vienādas.

KTY81-210 Temperaturas sensors, 0...150°C, 10mA, 1.98кOhm, SOD70

Cena: 3.95 €
00011894
KTY81-210
4
  • Apraksts

    • Specification
    • Integrated circuit type temperature sensor
    • Temperature measuring range 0...150°C
    • Operating current max. 10mA
    • Case SOD70
    • Mounting THT
    • Resistance 1.98kΩ;

    Parametri

    Papildu dokumentācija

Saistītie produkti